Published:2011/8/11 4:03:00 Author:Lucas | Keyword: white LED driver | From:SeekIC






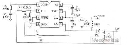
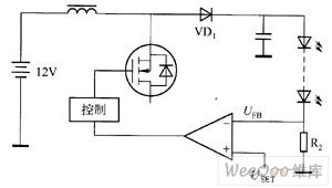
EL7516 is a typical step-up chip, which works at 1.2MHz fixed-frequency PWM mode, and it contains an 1.5A, 200mΩ MOSFET. Figure 1 shows the typical application circuit of EL7516. The DC / DC boost effect can change the 2.7 ~ 5.5V input voltage into 12V constant output voltage. It is similar to the general PWM control chip, the FB-pin sets the output voltage by the value of R1, R2 resistors. It is easy to change EL7516's constant pressure lines to constant current lines by driving white LED. Standard LED driver diagram is shown in Figure 2, as long as to change R2 in Figure 2, the white LED current is adjusted.
Reprinted Url Of This Article:
http://www.seekic.com/circuit_diagram/LED_and_Light_Circuit/EL7516_white_LED_driver_circuit_diagram.html
Print this Page | Comments | Reading(3)
Code: