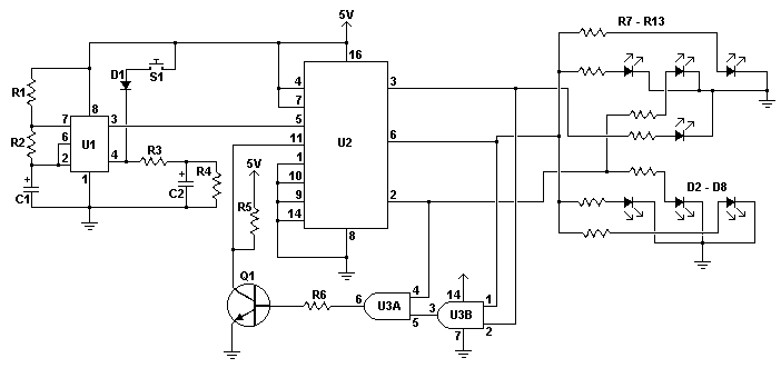
Published:2012/12/10 0:53:00 Author:muriel | Keyword: Electronic Dice Circuits | From:SeekIC

Reprinted Url Of This Article:
http://www.seekic.com/circuit_diagram/LED_and_Light_Circuit/Electronic_Dice_Circuits.html
Print this Page | Comments | Reading(3)
Code: