Published:2013/7/23 21:09:00 Author:muriel | Keyword: Fading LED | From:SeekIC

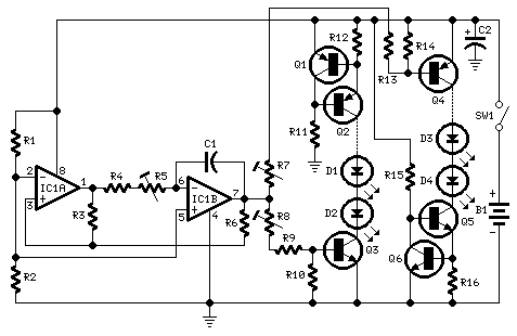
Parts:R1,R2 4K7 1/4W ResistorsR3 22K 1/4W ResistorR4 1M 1/4W Resistor (See Notes)R5 2M2 1/4W Carbon Trimmer (See Notes)R6,R10,R11,R14,R15 10K 1/4W ResistorsR7,R8 47K 1/4W Carbon Trimmers (See Notes)R9,R13 27K 1/4W ResistorsR12,R16 56R 1/4W ResistorsC1 1µF 63V Polyester CapacitorC2 100µF 25V Electrolytic CapacitorD1-D4 etc 5 or 3mm. LEDs (any type and color) (See Notes)IC1 LM358 Low Power Dual Op-ampQ1,Q2,Q4 BC327 45V 800mA PNP TransistorsQ3,Q5,Q6 BC337 45V 800mA NPN TransistorsSW1 SPST miniature Slider SwitchB1 9V PP3 BatteryClip for PP3 Battery
Device purpose:This circuit operates two LED strips in pulsing mode, i.e. one LED strip goes from off state, lights up gradually, then dims gradually, etc. while the other LED strip do the contrary.Each strip can be made up from 2 to 5 LEDs at 9V supply.
Circuit operation:The two Op-Amps contained into IC1 form a triangular wave generator. The rising and falling voltage obtained at pin #7 of IC1 drives two complementary circuits formed by a 10mA constant current source (Q1, Q2 and Q5, Q6) and driver transistor (Q3 and Q6).R4, R5 & C1 are the timing components: the total period can be varied changing their values. R7 & R8 vary the LEDs brightness.
Notes:For those whishing to avoid the use of trimmers, suggested values for a 9V supply are:R4=3M9, R9 & R13=47K and trimmers replaced by a short.Whishing to use a wall-plug transformer-supply instead of a 9V battery, you can supply the circuit at 12V, allowing the use of up to 6 LEDs per strip, or at 15V, allowing the use of up to 7 LEDs per strip.In this case, the value of the trimmers R7 & R8 should be changed to 100K.
Reprinted Url Of This Article:
http://www.seekic.com/circuit_diagram/LED_and_Light_Circuit/Fading_LED.html
Print this Page | Comments | Reading(3)
Code: