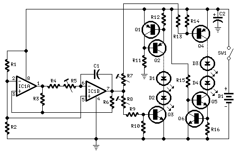
Published:2012/12/23 20:45:00 Author:muriel | Keyword: Fading LEDs | From:SeekIC

Reprinted Url Of This Article:
http://www.seekic.com/circuit_diagram/LED_and_Light_Circuit/Fading_LEDs.html
Print this Page | Comments | Reading(3)
Code: