Published:2012/9/9 22:52:00 Author:Ecco | Keyword: Four-way , flashing light string | From:SeekIC


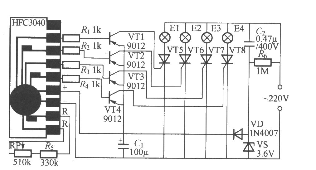
As shown in the figure, it is four-way flashing light string controller with a four-way gradually dimming light-emitting diode driver integrated circuit. The HFC3484 Manifold produced by Wenzhou Fenghua Electronic Co., Ltd. is dedicated to four the lights slowly fading flashing chip for the light-emitting toys. VT5 ~ VT8 can use small plastic unidirectional thyristor MCR100-8 ( 1A/600V ); each group's power of Lanterns E1 ~ E4 can not exceed 100W. The relationship between HFC3484 Manifold's external resistor R and output cycle T is shown in the following table:
Reprinted Url Of This Article:
http://www.seekic.com/circuit_diagram/LED_and_Light_Circuit/Four_way_flashing_light_string_circuit__2_.html
Print this Page | Comments | Reading(3)
Code: