Published:2009/7/19 21:09:00 Author:Jessie | From:SeekIC

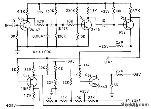
Uses monostable mvbr signal to generate reference level for yoke driven-C. E. Veazie, Transistorized Radar Sweep Circuits Using Low Power, Electronics, 32:26, p 46-47.
Reprinted Url Of This Article:
http://www.seekic.com/circuit_diagram/LED_and_Light_Circuit/GATED_CLAMP_FOR_PPI_SWEEP.html
Print this Page | Comments | Reading(3)
Code: