Published:2009/7/17 3:46:00 Author:Jessie | From:SeekIC

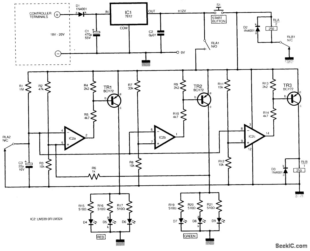
The figure shows a circuit design for a starting gantry with three red and three green starting lights. It can be powered from the racing set's power-supply unit. A 12-V regulator (IC1) provides a stabilized supply for the circuit and diode D1 prevents accidental reverse connection by the young motor enthusiast. The circuit uses a system of relays to start and stop the sequence. When START switch S1 is pressed, relay contacts RLA1 close and this applies +12 V to the sequencer and also latches the relay. Contacts RLA2, across capacitor C3, open. Three comparators are used (IC2a, IC2b, and IC2c), and their noninverting (+) terminals each have a reference voltage set by a potential divider at about +2.10 V, +2.75 V, and +4.75 V, respectively. Either an LM339 quad comparator or an LM324 quad op amp can be used. When capacitor C3 charges in excess of +1.75 V, transistor TR1 conducts and the red LEDs D4 to D6 illuminate. At +2.75 V, TR2 conducts and the green LEDs D7 to D9 light. IC2a also swings high, via resistor R6, and so the red lamps extinguish. When capaci-tor Ct reaches +4.75 V, transistor TR3 conducts and completes the circuit to relay RLB. Contacts RLB1 (normally closed) now open and disconnect relay RLA. Contacts RLA2 then close, which dis-charges the timing capacitor C1, ready for next time.
Reprinted Url Of This Article:
http://www.seekic.com/circuit_diagram/LED_and_Light_Circuit/GRAND_PRIX_STARTING_LIGHTS_.html
Print this Page | Comments | Reading(3)
Code: