Published:2011/11/9 20:14:00 Author:May | Keyword: Gate controlling , delay light | From:SeekIC

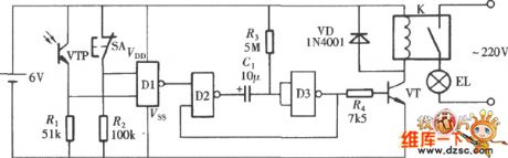
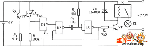
Gate controlling delay light uses gate switch to control the turning on or off of the lamp, during the day, the light can not be open because of light control. At night, if you open the door, at the same time, the lamp is turned onautomatically and delayed period of time,and the circuit is shown in the diagram. The circuit consists of a four-dual input end orNOT gate CD4001, among them, gate D1 makes up thelight control and trigger circuit, gates D2, D3and R3, R1 make up single shot trigger toplay a roleof delay close. Transistor VT and relay K are used as lamp EL's switch control circuit. Optical transistor VTP plays a role in light control.
Reprinted Url Of This Article:
http://www.seekic.com/circuit_diagram/LED_and_Light_Circuit/Gate_controlling_delay_light_circuit_diagram.html
Print this Page | Comments | Reading(3)
Code: