Published:2009/7/2 2:10:00 Author:May | From:SeekIC


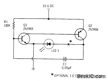
Circuit operates as regenerative amplifier for delivering 10-μs pulses with amplitude of 1.1 A and repetition rate of 1.4 kHz to infrared LED. Suitable for infrared beacon in fiber-optic communication and optical radar applications. Drain is 100 mA from 10-V supply. Use gallium arsenide LED such as SSL-55C or TIL32 for high-output infrared transmitter. Q2 can be changed to ger manium transistor such as 2N1305 to give peak current of 2 A at pulse width of 15 μs and 750-Hz repetition rate.-F. M Mims, Electronic Circuitbook 5: LED Projects, Howard W. Sams, Indianapolis, IN, 1976, p 33-35.
Reprinted Url Of This Article:
http://www.seekic.com/circuit_diagram/LED_and_Light_Circuit/HIGH_CURRENT_INFRARED_LED_PULSER.html
Print this Page | Comments | Reading(3)
Code: