Published:2009/7/1 22:03:00 Author:May | From:SeekIC

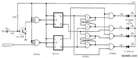
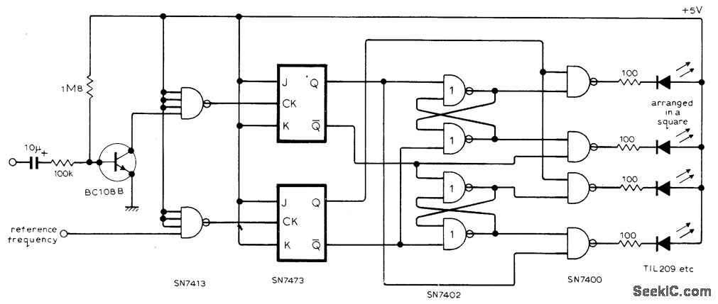
Apparent rotation of flashing LEDs around square indicates whether input frequency is above or below reference frequency. Input and reference waveforms may have any shape, because Schmitt triggers reshape both to give rectangular pulses which flip-flops divide by two so outputs are square waves with mark-space ratios at half original frequency. Squarewaves are gated together to produce rectangular pulse train having mark-space ratio that depends on phase difference between the two square waves.Logic is arranged to drive LEDs at rotation rate of half the difference between input and referencefrequencies. Correct positioning of LEDs in square is shown on small diagram.Reference frequency input should be via BC108B (not shown), same as for input frequency.-C. Clapp, Beat-Frequency Indicator, Wireless World, Nov. 1976, p 63.
Reprinted Url Of This Article:
http://www.seekic.com/circuit_diagram/LED_and_Light_Circuit/HI_L0_LED_FREQUENCY_DISPLAY.html
Print this Page | Comments | Reading(3)
Code: