Published:2009/7/9 20:29:00 Author:May | From:SeekIC


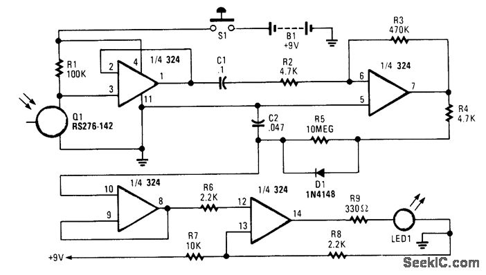
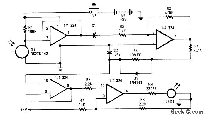
Useful for checking TV remote controls, IR-based alarm systems, and IR sources, this circuit causes LED1 to turn on for two seconds in the presence of IR light pulses. U1A acts as a voltage follower for detector Q1. C1 and R2 form a differentiating network and U1B acts as an amplifier for the pulses, which charges C2. Voltage follower U1C samples the voltage on C2 and drives comparator U1D, which switches LED1 on or off.
Reprinted Url Of This Article:
http://www.seekic.com/circuit_diagram/LED_and_Light_Circuit/IR_DETECTOR.html
Print this Page | Comments | Reading(3)
Code: