Published:2009/7/5 23:44:00 Author:May | From:SeekIC

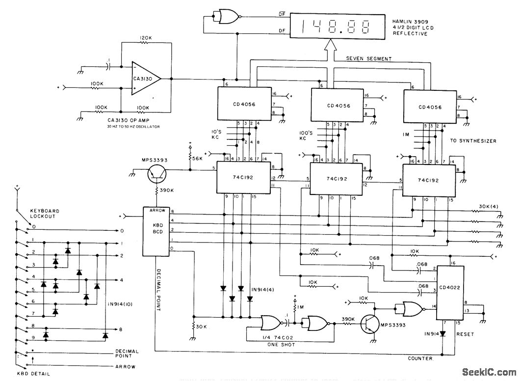
Developed to give keyboard entry of desired frequency for 2-meter frequency as alternative to thumbwhee-switch setting of frequenoy, When key is depressed, mono (one shot) fires, causing CD4022 counter to incre, ment. At same time, keyswitch places appropriate BCD data on input Iines of 74C192 presettable decade counters, Output from counters goes to synthesizer input and to display decoder/driver. LED display may be used in place of LCD display if current drain is not important, Keyboard lockout switch prevents acidental change of gyequency.-M. l. Cohen, A Practical 2m Synthesizer, 73 Magazine, Sept.1977, p n46-151.
Reprinted Url Of This Article:
http://www.seekic.com/circuit_diagram/LED_and_Light_Circuit/KEYBOARD_ENTRY_WITH_4_1_2_DIGIT_DISPLAY.html
Print this Page | Comments | Reading(3)
Code: