Published:2013/7/22 20:13:00 Author:muriel | Keyword: Knightrider lights, model cars | From:SeekIC

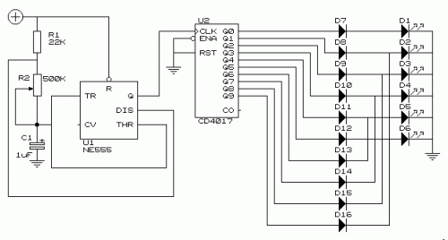
This simple circuit drives 6 LEDs in 'Knightrider scanner mode'. Power consumption depends mainly on the type of LEDs used if you use a 7555 (555 CMOS version).
Note that VDD and GND for the ICs are not shown in the circuit drawing.Pin-outs:(7)555 1 GND 2 TRIGGER 3 OUTPUT 4 RESET 5 CONTROL VOLTAGE 6 THRESHOLD 7 DISCHARGE 8 VDD 40171 Q5 2 Q1 3 Q0 4 Q2 5 Q6 6 Q7 7 Q3 8 GND 9 Q810 Q411 Q912 CO13 NOT ENABLE14 CLK15 RESET16 VDD
Reprinted Url Of This Article:
http://www.seekic.com/circuit_diagram/LED_and_Light_Circuit/Knightrider_lights_for_model_cars.html
Print this Page | Comments | Reading(3)
Code: