Published:2009/7/20 7:17:00 Author:Jessie | From:SeekIC

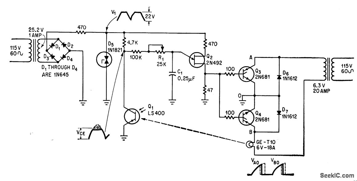
Phototransistor Q1 senses lamp intensity and controls firing angle of scr's Q3 and Q4 through unijunction transistor Q2.-R. L. Carvajal, Phototransistor Regulates Illumination Intensity, Electronics, 38:20, p 101.
Reprinted Url Of This Article:
http://www.seekic.com/circuit_diagram/LED_and_Light_Circuit/LAMP_CONTROL.html
Print this Page | Comments | Reading(3)
Code: