Published:2009/6/18 4:28:00 Author:May | From:SeekIC

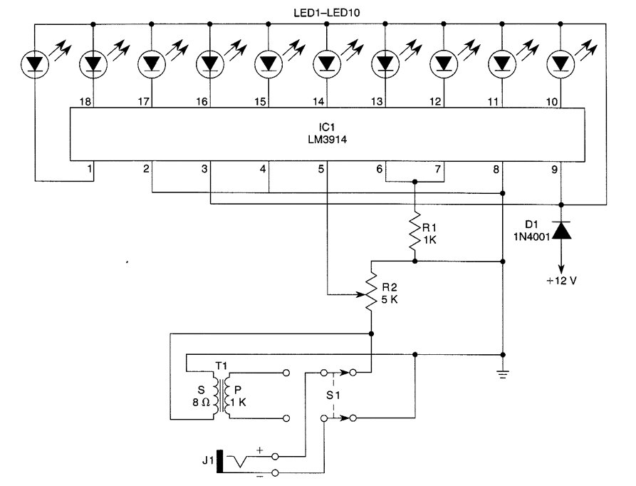
This circuit is used as an audio indicator. S1 selects direct input or a 1-kΩ(high impedance) audio input. R2 is a sensitivity control.
Reprinted Url Of This Article:
http://www.seekic.com/circuit_diagram/LED_and_Light_Circuit/LED_BARGRAPH_DRIVER_CIRCUIT.html
Print this Page | Comments | Reading(3)
Code: