Published:2009/7/13 20:22:00 Author:May | From:SeekIC

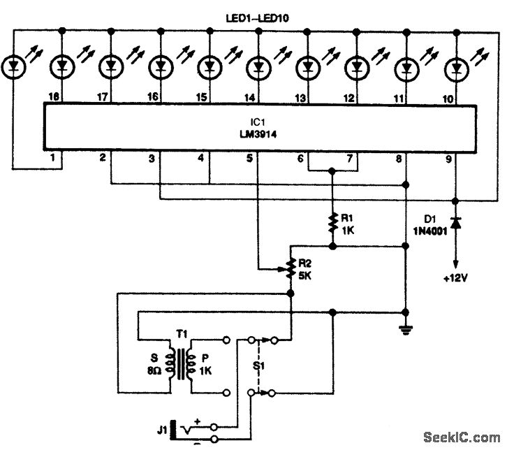
This circuit uses an LM3914 with either dc or audio input. R2 controls the input level. The display can be either ten discrete LEDs or a bar-graph LED assembly.
Reprinted Url Of This Article:
http://www.seekic.com/circuit_diagram/LED_and_Light_Circuit/LED_BAR_GRAPH_CIRCUIT.html
Print this Page | Comments | Reading(3)
Code: