Published:2009/7/11 3:07:00 Author:May | From:SeekIC

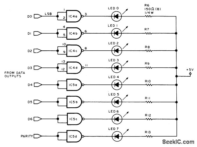
Shows code for any ASCLL keyboard character as aid in debugging keyboard matrix wiring. Requires only two 7400 quad NAND gates, eight resistors, and eight LEDs. High input to gate forces output low, grounding LED and lighting it. On standby with positive logic, all LEDs are lit with negative logic ,all are dark on stangby .arrange LEDs on keyboard so rightmost LED represents least significantbit (DO)and leftmost LED represents parity bit. Using positive logic, ASCLL code for any depressed key will show as lit LED for 1 and dark LED for o. Pin 14 of 7400 is +5 V, and pin 7 is ground.-B. Brehm. Using a Keyboald ROM, BYTE, May 1977, p 76-.82.
Reprinted Url Of This Article:
http://www.seekic.com/circuit_diagram/LED_and_Light_Circuit/LED_DISPLAY_FOR_ASCLL_CODE.html
Print this Page | Comments | Reading(3)
Code: