Published:2009/6/16 23:54:00 Author:May | From:SeekIC

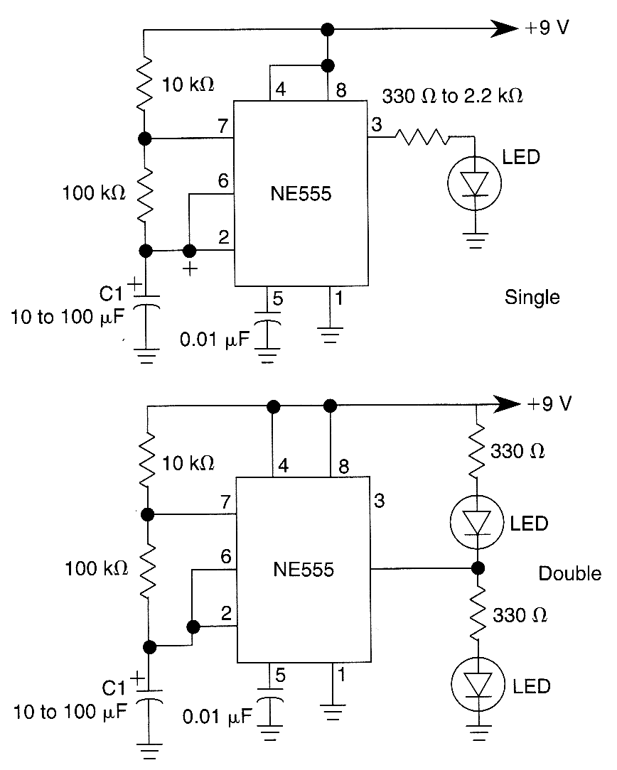
A 555 is used to switch an LED on and off. C1 determines the flash rate. Single ended (one LED) and double-ended (altemating) flashers are shown.
Reprinted Url Of This Article:
http://www.seekic.com/circuit_diagram/LED_and_Light_Circuit/LED_Flashers.html
Print this Page | Comments | Reading(3)
Code: