Published:2009/7/4 5:26:00 Author:May | From:SeekIC

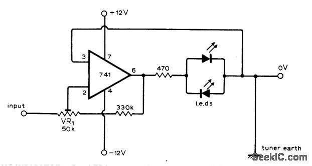
One LED is mounted at each end of tuning scale. Tuning pointer is moved away from whichever LED is on, to dead spot at which both are off, to obtain correct tuning point. Advantages of lights-off tuning include minimum current drain and indication of even very slight mistuning by having one light come on even slightly. Adjust VR1 to give wide enough dead spot so LEDs do not flicker on loud speech or music.-H. Hodgson, Simpler F.M.Tuning Indicator, Wireless World, Sept. 1975, p 413.
Reprinted Url Of This Article:
http://www.seekic.com/circuit_diagram/LED_and_Light_Circuit/LED_TUNING_INDICATOR.html
Print this Page | Comments | Reading(3)
Code: