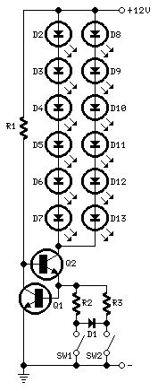
Published:2012/12/21 21:23:00 Author:muriel | Keyword: LED driven, tail/brake Light , Cluster | From:SeekIC

Reprinted Url Of This Article:
http://www.seekic.com/circuit_diagram/LED_and_Light_Circuit/LED_driven_tail_brake_Light_Cluster.html
Print this Page | Comments | Reading(3)
Code: