Published:2011/6/20 22:18:00 Author:Fiona | Keyword: LED lights, supplied power by telephone lines | From:SeekIC


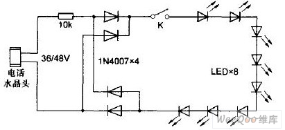
Taking into account the LED lights of telephone lines exist a negative impact on the internet, so that it can't always be connected to the telephone line,the writer also has some transformation of the light,the circuit after transformation is shown in Figure 2,changes the middle of the 6 LED in parallel,while increases a 3.6V lithium-ion cell phone batteries,usually uses the built-in of new work lithium electricity,when the limiting resistance is 5.6Ω,the operating current is about 120mA, brightness is more satisfactory.It can still use insert telephone extension interface lighting in emergency,operating current after transformation is about 4.6mA, brightness is said to the past.
Reprinted Url Of This Article:
http://www.seekic.com/circuit_diagram/LED_and_Light_Circuit/LED_lights_supplied_power_by_telephone_lines_circuit.html
Print this Page | Comments | Reading(3)
Code: