Published:2009/6/29 1:38:00 Author:May | From:SeekIC

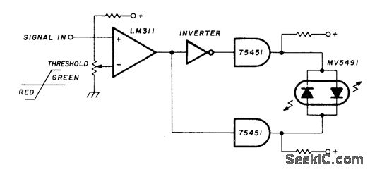
Uses Monsanto MV5491 dual red/green LED, with 220 ohms in upper lead to +5 V supply and 100 ohms in lower +5 V lead because red and green LEDs in parallel back-to-back have different voltage re quirements. Circuit requires SN75451 driver ICs and one section of SN7404 hex inverter, with LM311 comparator. All operate from single +5 V source. Provides indicator change from red to green with input change of only a few millivolts.—K. Powell, Novel Indicator Circuit, Ham Radio, April 1977, p 60-63.
Reprinted Url Of This Article:
http://www.seekic.com/circuit_diagram/LED_and_Light_Circuit/LEVEL_CROSSING_DlSPLAY.html
Print this Page | Comments | Reading(3)
Code: