Published:2009/7/13 5:17:00 Author:May | From:SeekIC

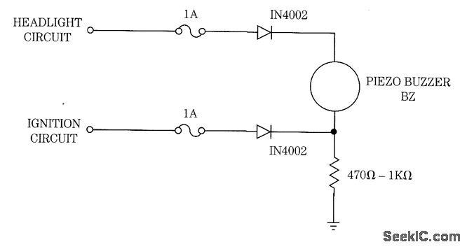
The buzzer (BZ) will sound if the ignition is off and the headlights are on
Reprinted Url Of This Article:
http://www.seekic.com/circuit_diagram/LED_and_Light_Circuit/LIGHTS_ON_INDICATOR.html
Print this Page | Comments | Reading(3)
Code: