Published:2009/7/20 12:32:00 Author:Jessie | From:SeekIC

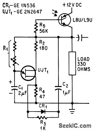
Boot-strapped unijunction transistor interrupts load current at desired delay interval (determined by R1 and C1) after short pulse of light hits glass-window scr L8U.-E. K. Howell, Light-Activated Switch Expands Uses of Silicon-Controlled Rectifiers, Electronics, 37:15, p 53-61.
Reprinted Url Of This Article:
http://www.seekic.com/circuit_diagram/LED_and_Light_Circuit/LIGHT_ACTIVATED_SCR_TIME_DELAY.html
Print this Page | Comments | Reading(3)
Code: