Published:2009/7/9 23:08:00 Author:May | From:SeekIC

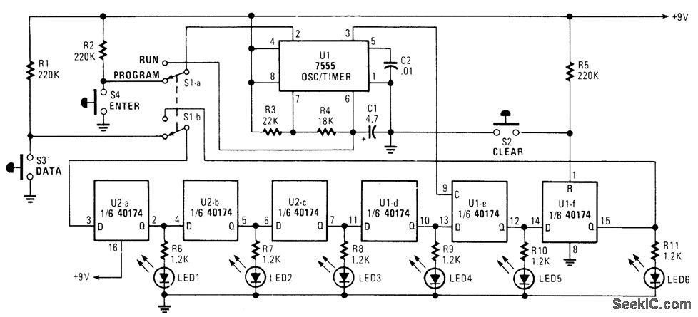
Up to six lights can be sequentially flashed using this circuit. LED1 through LED6 can be replaced by optocouplers (M0C3010, etc.) to control 120-Vac loads via triacs. U1 generates pulses that clock the shift register mode up of the six D flip-flops in the CD 40174. By S1A-B, the register can be programmed either ON or OFF (low or high) and then switched to nut in the programmed sequence. S2 clears the program.
Reprinted Url Of This Article:
http://www.seekic.com/circuit_diagram/LED_and_Light_Circuit/LIGHT_CHASER_II.html
Print this Page | Comments | Reading(3)
Code: