Published:2011/4/22 7:55:00 Author:Joyce | Keyword: LTC3202, Drive, White Light, LED | From:SeekIC

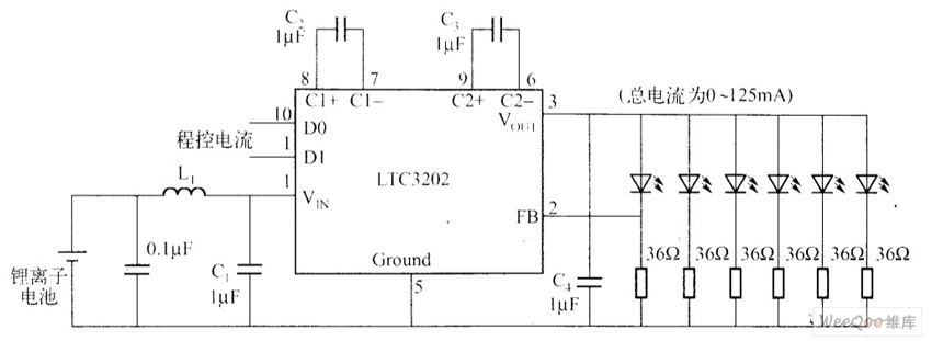
LTC3202 is a charge pump produced by Linear Technology Company,which does not need gating oscillator. The graph is the circuit of a drive white light LED powered by lithiumion batteries using LTC3202 charge pump. In order to overcome noise problems,LTC3202 uses linear control technology to make sure that the charge and discharge capacity of the conversion capacitance just meet the load current needs, and in each clock cycle,it remains a constant, thus ensuring they would not produce audio components.
The graph is the circuit of a drive white light LED powered by lithiumion batteries using LTC3202 charge pump.
Reprinted Url Of This Article:
http://www.seekic.com/circuit_diagram/LED_and_Light_Circuit/LTC3202_Drive_White_Light_LED_Circuit.html
Print this Page | Comments | Reading(3)
Code: