Published:2009/7/24 4:30:00 Author:Jessie | From:SeekIC

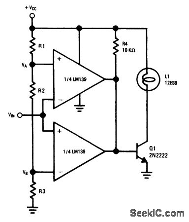
Fig. 15-14 This circuit provides a range of input voltages between which the outputs of both LM139 comparators will be off, allowing Q1 base current to flow through R4. This turns Q1 on and applies power to L1. If VIN changes to a value greater than VA, but less than VB, one LM139 switches on, shorting the Q1 base to ground. This turns lamp L1 off. If a pnp is used for Q1 (with emitter tied to + VCC), L1 will turn on when the input is above VA or below VB. The values of R1,R2, and R3 set the VA and VB points. For example, if VCC is 12 V, and all three resistors are the same value, VB is 4V, and VA is 8 V. National Semiconductor Linear Applications Handbook 1991, p. 260.
Reprinted Url Of This Article:
http://www.seekic.com/circuit_diagram/LED_and_Light_Circuit/Limit_comparator_with_lamp_driver.html
Print this Page | Comments | Reading(3)
Code: