Published:2011/8/12 2:06:00 Author:Lucas | Keyword: White LED driver | From:SeekIC

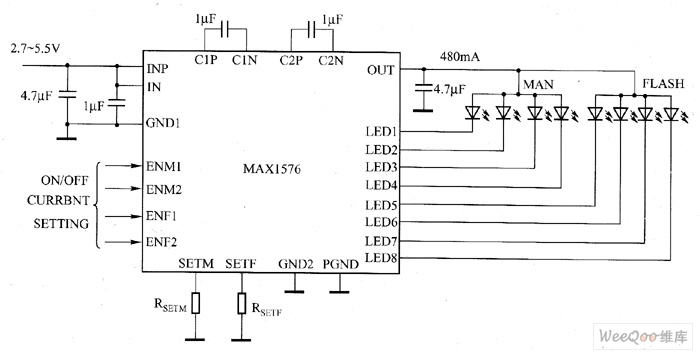
MAX1576 charge pump can drive eight white LEDs with a constant current regulation in order to achieve uniform light intensity. It can drive each group of (LED1 ~ LED4) white LED with 30mA current for backlighting. MAX1576 can achieve high efficiency in the whole operating voltage range of one lithium-ion battery. MAXl576 has lMHz fixed switching frequency, so it only uses few external components, and it also has low EMI and low input ripple. MAX1576 uses two external resistors to set the master flash white LED and white LED's largest (100%) current.
Reprinted Url Of This Article:
http://www.seekic.com/circuit_diagram/LED_and_Light_Circuit/MAX1576_White_LED_driver_circuit_diagram.html
Print this Page | Comments | Reading(3)
Code: