Published:2011/8/23 22:22:00 Author:Lucas | Keyword: white LED driver | From:SeekIC

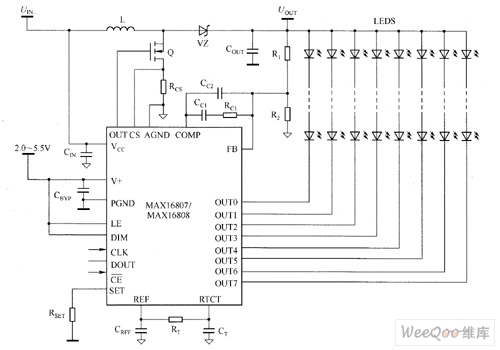
MAX16807/MAX16808's main technical characteristics are as follow. ① it has 8 constant current output channels (each channel current is up to 55mA). ② the current matching accuracy of output end is ± 3%. ③ parallel channels make each branch have a greater series white LED current. ④ continuous rated output voltage is 36V. ⑤ output enable pin is used for PWM brightness adjustment (frequency is up to 30kHz). ⑥ it can use a single resistor to set the white LED current for all channels. ⑦ wide brightness ratio is up to 5000:1. ⑧ low current detection reference (300mV) could achieve high efficiency.
Reprinted Url Of This Article:
http://www.seekic.com/circuit_diagram/LED_and_Light_Circuit/MAX16807/MAX16808_white_LED_driver_circuit_diagram.html
Print this Page | Comments | Reading(3)
Code: