Published:2011/8/29 3:46:00 Author:Lucas | Keyword: white LED driver | From:SeekIC

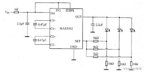
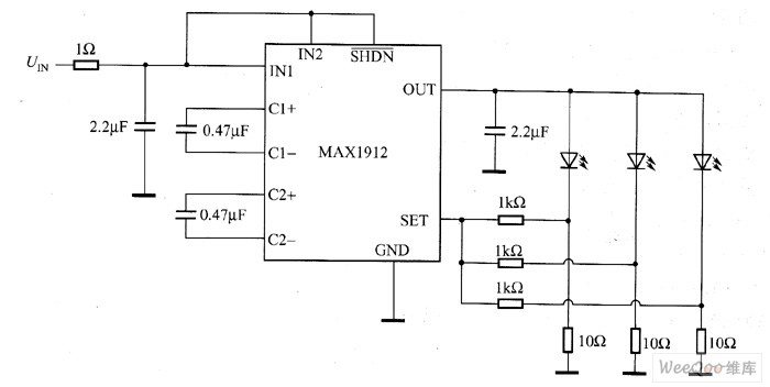
White LED power supply provides a sufficiently high output voltage, and the white LED connected in parallel is added the same current. If all the connected white LEDs in parallel has the same current, then all the white LEDs will have the same color coordinates. Maxim's MAX1912 charge pump with current control can achieve this goal. The circuit using MAX1912 to drive 3 parallel LEDs is shown as the gigure, MAX1912 charge pump has a large range, and it can increase the input voltage to 1.5 times.
MAX1912contains thecharge pumpand the current control circuit, and the charge pump provides sufficient voltage for the white LED driver.
Reprinted Url Of This Article:
http://www.seekic.com/circuit_diagram/LED_and_Light_Circuit/MAX1912_white_LED_driver_circuit_diagram.html
Print this Page | Comments | Reading(3)
Code: