Published:2011/6/23 10:36:00 Author:Michel | Keyword: Driving, White LED Circuit | From:SeekIC

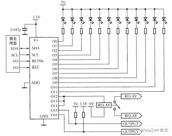
MAX6964 is a kind of I2C compatible serial interface peripheral circuit and it provide micro controller 17 output ports. The output absorbs the drain current open structure and is allowed to work in 50 mA / 7 V conditions which can drive LED or provide logic output through external voltage boost.MAX6964 inside has integrated a eight PWM current control circuit and four were global control which is used in all LED and outputs are used in current broad tuning.There are 14 brightness levels from it completely shuts off to it fully opens.In addition, every output also has independent four control bits, but the global current set is divided into 16 levels.As another choice, current control can also be configured to single eight control way, all the output can be set at a time.
Reprinted Url Of This Article:
http://www.seekic.com/circuit_diagram/LED_and_Light_Circuit/MAX6964_Driving_White_LED_Circuit.html
Print this Page | Comments | Reading(3)
Code: