Published:2011/8/23 22:22:00 Author:Lucas | Keyword: White LED driver | From:SeekIC

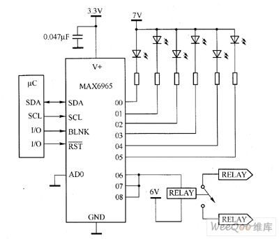
MAX6965's main technical characteristics are as follow. ① 400kbps, 2-wire Serial Interface, 5.5V voltage tolerance. ② 2 ~ 3.6V operating voltage. ③ 8-bit PWM White LED brightness control. ④ global 16 brightness control, additional 16 independent brightness control. ⑤ Rated Output 7V, open-drain. ⑥ two-phase flashing white LED. ⑦ high port output current, each port's output current is 50mA (max). ⑧ when it is in RST input clear port status, port status returns to power-on default state. ⑨ it supports hot insertion. ⑩ low standby current is typical 1.2μA, and the maximum value is 3.3μA.
Reprinted Url Of This Article:
http://www.seekic.com/circuit_diagram/LED_and_Light_Circuit/MAX6965_White_LED_driver_circuit_diagram.html
Print this Page | Comments | Reading(3)
Code: