Published:2011/8/25 21:34:00 Author:Lucas | Keyword: white LED driver | From:SeekIC

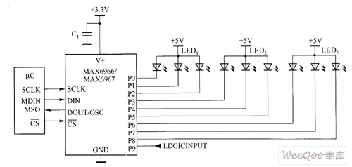
MAX6966's main technical characteristics are as follow. ① it has high-speed 26MHz SPI / QSPI / MICROWIRE compatible serial port. ② 2.25 ~ 3.6V operating voltage. ③ when the power is turned on, I / O port is implied to high impedance (LED turns off) state. ④ I / O port input over-voltage protection value is 7V. ⑤ it has open-drain output when I / O port output rated voltage is 7V. ⑥ I / O port output is 10mA or 20mA constant current, static / PWM or open-drain logic output. ⑦ I / O ports support hot insertion. ⑧ each outputs independent 8-bit PWM control. ⑨ it has Schmitt logic input with overvoltage protection.
Reprinted Url Of This Article:
http://www.seekic.com/circuit_diagram/LED_and_Light_Circuit/MAX6966/MAX6967_white_LED_driver_circuit_diagram.html
Print this Page | Comments | Reading(3)
Code: