Published:2011/8/25 20:51:00 Author:Lucas | Keyword: White LED driver | From:SeekIC

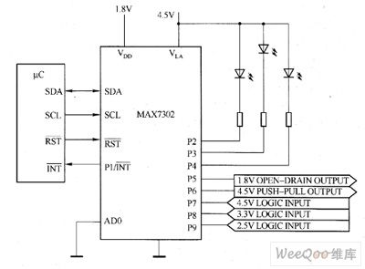
MAX7302's main technical characteristics are as follow. ① 1.62 ~ 5.5V I / O port level conversion power (ULA). ② Power supply voltage is 1.62 ~ 3.6V. ③ 9-way independent configured GPIO ports. ④ 25mA (max) port outputs sink current (the maximum ground current is 100mA). ⑤ The independent 11-stage PWM brightness control with 15-stage flash output control in output end, and 1kHz PWM cycle provides a flicker-free white LED brightness control. ⑥ Input overvoltage protection is up to 5.5V (ULA). ⑦ oscillator input and output can cascade multiple devices. ⑧ I / O port can be configured as logic gates (CLA).
Reprinted Url Of This Article:
http://www.seekic.com/circuit_diagram/LED_and_Light_Circuit/MAX7302_White_LED_driver_circuit_diagram.html
Print this Page | Comments | Reading(3)
Code: