Published:2011/8/23 22:22:00 Author:Lucas | Keyword: white LED driver | From:SeekIC

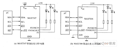
MAX7306/MAX7307's main technical characteristics are as follow. ① 1.4 ~ 5.5VI / O logic into port power (ULA). ② Power supply voltage is 1.62 ~ 3.6V. ③ It has independent 33 PWM brightness control with 15 flash control in output end, and 1kHz PWM cycle flicker-free white LED brightness control. ④ optional input debounce, input over-voltage is up to 5.5V (ULA) with interrupt output transient detection. ⑤ when it is in low-level active RST input clear port state, J will restore power-on default state. ⑥ oscillator input and output can cascade multiple devices. ⑦ low standby typical current is 0.75μA.
Reprinted Url Of This Article:
http://www.seekic.com/circuit_diagram/LED_and_Light_Circuit/MAX7306_MAX7307_white_LED_driver_circuit_diagram.html
Print this Page | Comments | Reading(3)
Code: