Published:2011/8/23 22:22:00 Author:Lucas | Keyword: white LED driver | From:SeekIC

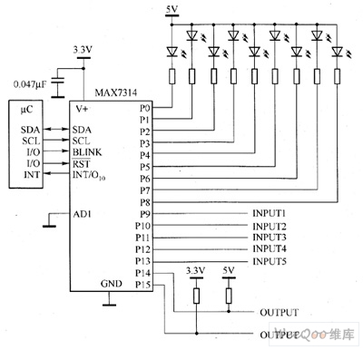
MAX7314's main technical characteristics are as follow. ① it has 400kbps, 2-wire serial interface, and the voltage is 5.5V. ② working voltage is 2 ~ 3.6V. ③ the total 8-bit PWM LED intensity control has a global 16-level brightness control with separate 16 additional brightness control, two-phase LED flashing. ④ it has Interrupt Output transition detection circuit, which can work in 5.5V open-drain output, each port's maximum output current is 50mA. ⑤ Input over-voltage protection is up to 5.5V. ⑥ operating current is typical 1.2μA, and the maximum value is 3.6μA. ⑦ it uses small 4mm × 4mm thin QFN package.
Reprinted Url Of This Article:
http://www.seekic.com/circuit_diagram/LED_and_Light_Circuit/MAX7314_white_LED_driver_circuit_diagram.html
Print this Page | Comments | Reading(3)
Code: