Published:2011/8/29 3:38:00 Author:Lucas | Keyword: white LED driver | From:SeekIC

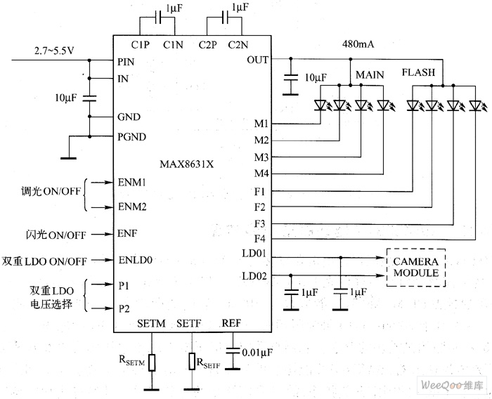
MAX8631X charge pump's main technical features are as follow. ① It can drive eight white LEDs. ② 30mA drive current is used for backlight. ③ 400mA total drive current is used for the flash. ④ two built-in low noise 200mA LDO. ⑤ It can maintain the 94% highest conversion efficiency and the 85% average conversion efficiency in the effective lithium-ion battery supply voltage range (η = PLED / PABT). ⑥ 0.2% current matching accuracy. ⑦ It has adaptive 1x mode, 1.5x mode, 2-fold pressure mode switching function. ⑧ It has flexible brightness control. ⑨It has single, serial-pulse interface (32).
Reprinted Url Of This Article:
http://www.seekic.com/circuit_diagram/LED_and_Light_Circuit/MAX8631X_white_LED_driver_circuit_diagram.html
Print this Page | Comments | Reading(3)
Code: