Published:2009/7/6 2:19:00 Author:May | From:SeekIC

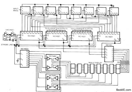
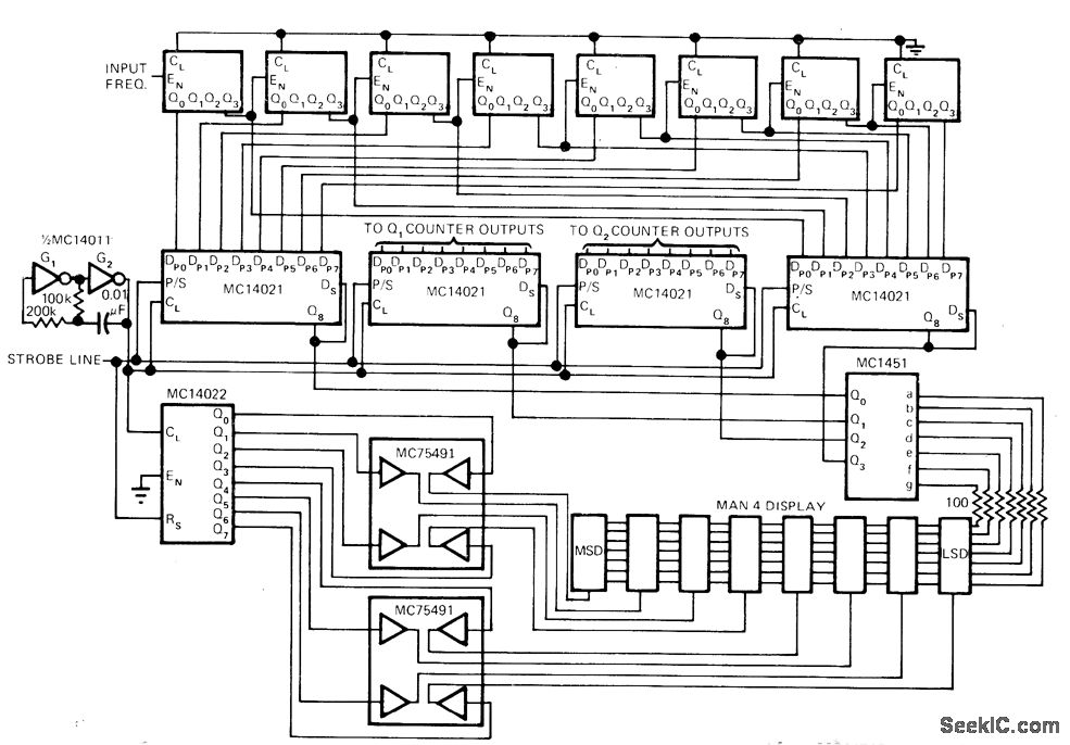
Used with battery-operated frequency Gaunter to reduce battery drain by multiplexing single decoder driver between all of MAN-4 displays, Readout is integrated by eye over total time period, making display appear continuous. Display operates at peak of 20 mA but duty cycle is only 12.5%.Counter is operated from 6-V supply. Four MC14021 8-bit shift registers implement multiplexing and provide latches needed to store count from MC14518 counter chain. Article describes operation in detail and gives circuit of companion front end and 5-MHz counter.-D.Aldridge, CMOS Counter Circuitry Slashes Battery Power Requirements, EDN Magazine, Oct. 20, 1974, p 65-71.
Reprinted Url Of This Article:
http://www.seekic.com/circuit_diagram/LED_and_Light_Circuit/MULTIPLEXED_DISPLAY.html
Print this Page | Comments | Reading(3)
Code: