Published:2009/7/13 11:16:00 Author:May | From:SeekIC

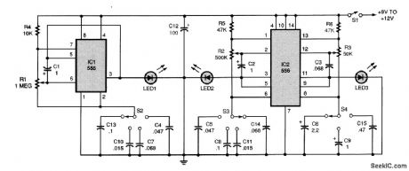
The circuit contains three oscillators, one based on a 555 (IC1) and the others centered around a 556 (IC2). When S1 is on, each oscillator's LED (LED1, LED2, or LED3) will flash rhythmically, according to the setting of its potentiometer (R1, R2, or R3), and the capacitor selected by its switch (S2, S3, or S4). Each oscillator output is capable of driving up to 20 jumbo LEDs con-nected in parallel. Arrange the LEDs to suit your taste. The circuit will operate on a battery or any 9- to 12-Vdc source.
Reprinted Url Of This Article:
http://www.seekic.com/circuit_diagram/LED_and_Light_Circuit/NOVELTY_LED_FLASHER.html
Print this Page | Comments | Reading(3)
Code: