Published:2009/7/15 21:21:00 Author:Jessie | From:SeekIC

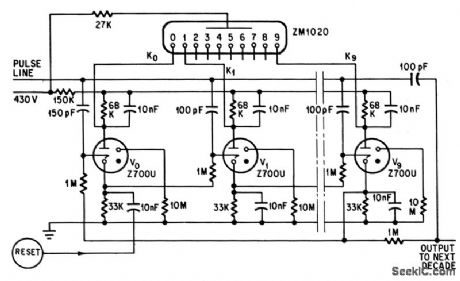
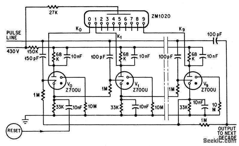
Either cold. cathode trigger tubes or transistors drive 10-digit cold-cathode indicator Tube.-M. A. Mac-Dougall, Using the Cold-Cathode Tube: Part 1, Electronics, 38:6, p 78-82.
Reprinted Url Of This Article:
http://www.seekic.com/circuit_diagram/LED_and_Light_Circuit/NUMERICAL_DISPLAY.html
Print this Page | Comments | Reading(3)
Code: