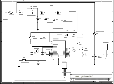
Published:2013/1/27 23:53:00 Author:muriel | Keyword: Night Light , Saver | From:SeekIC

Reprinted Url Of This Article:
http://www.seekic.com/circuit_diagram/LED_and_Light_Circuit/Night_Light_Saver.html
Print this Page | Comments | Reading(3)
Code: