Published:2009/7/2 22:42:00 Author:May | From:SeekIC

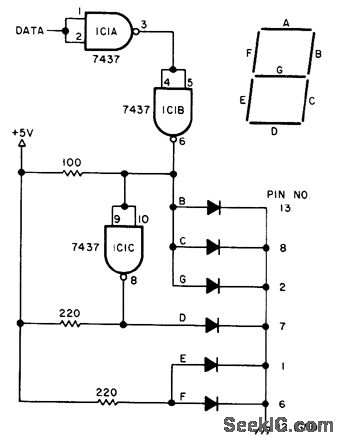
Monitors state of single bit and shows H or L on 7-segment display depending on status of data input. Uses two 7437 inverters and one DL-704 commoncathode display. Diode symbols represent segments of display (segment A is not needed for H or L). Power connections to 7437 inverter are +5 V to pin 14 and ground to pin 7.-G. Tomalesky, Bit Status Display, BYTE, Dec. 1977, p 197.
Reprinted Url Of This Article:
http://www.seekic.com/circuit_diagram/LED_and_Light_Circuit/OUTPUT_STATUS_DlSPLAY.html
Print this Page | Comments | Reading(3)
Code: