Published:2009/6/24 22:46:00 Author:May | From:SeekIC

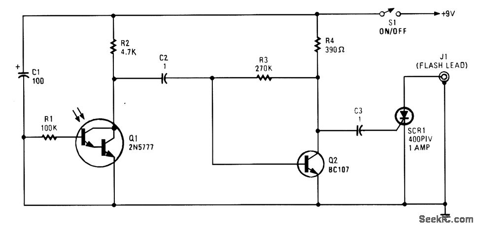
Phototransistor Q1 receives a light pulse from a photoflash unit. The pulse is accoupled to am-plifier Q2. It then triggers SCR1, which triggers a flash unit that is connected to J1.
Reprinted Url Of This Article:
http://www.seekic.com/circuit_diagram/LED_and_Light_Circuit/PHOTO_FLASH_SLAVE_UNIT.html
Print this Page | Comments | Reading(3)
Code: