Published:2009/7/15 20:25:00 Author:Jessie | From:SeekIC

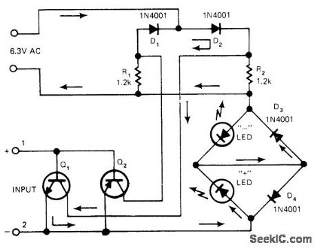
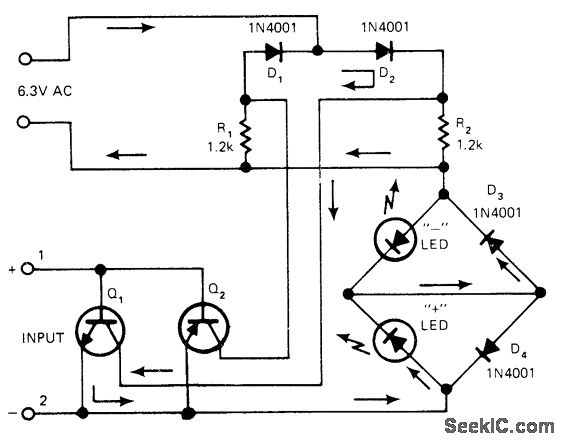
Q1 and Q2 at input should be Darlington transistors to minimize loading on input signal. With no input, current flows through R1D1 and R2D2 networks on alternate half-cycles, Positive signal at input 1 turns on Q1, shunting sum of current through D3 and lighting positive-indicating LED in diode bridge. Similarly, negative voltage on 1 turns on other LED. Supply requirement of 6.3 VAC can usually be obtained from digital multimeter with which indicator is used.-R. A. Snyder, Simple Polarity Indicator Suits DMM's or DPM's, EDN Magazine, Nov. 5, 1977, p 110.
Reprinted Url Of This Article:
http://www.seekic.com/circuit_diagram/LED_and_Light_Circuit/POLARITY_INDICATOR.html
Print this Page | Comments | Reading(3)
Code: