Published:2009/7/20 3:33:00 Author:Jessie | From:SeekIC

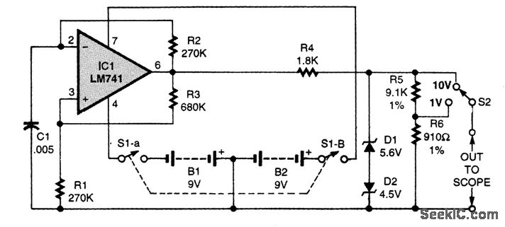
This simple circuit can be used to calibrate scopes or other equipment.
Reprinted Url Of This Article:
http://www.seekic.com/circuit_diagram/LED_and_Light_Circuit/PORTABLE_SCOPE_CALIBRATOR.html
Print this Page | Comments | Reading(3)
Code: