Published:2009/7/12 23:54:00 Author:May | From:SeekIC

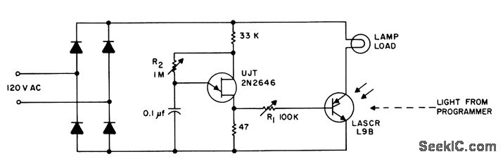
Minimizes thermal stresses on lamps and controls when programmed operation is repetitive for large number of cycles. Ujt control circuit provides preheating of lamp by triggering light-activated scr late in each half cycle. Setting of R2 determines minimum lamp current to maintain filament temperature just below visible leveL- Silicon Controlled Rectifier Manual, Third Edition, General Electric Co.1964, p216.
Reprinted Url Of This Article:
http://www.seekic.com/circuit_diagram/LED_and_Light_Circuit/PREHEATING_PROGRAMMED_LAMPS.html
Print this Page | Comments | Reading(3)
Code: