About SeekIC | Services | Payment | Advertisements service | Contact Us | Links
© 2008-2012 SeekIC.com Corp.All Rights Reserved.
Published:2009/6/18 2:37:00 Author:May | From:SeekIC

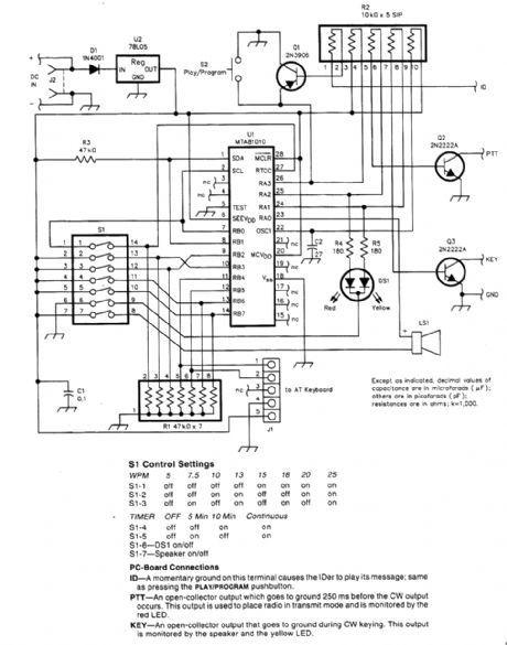
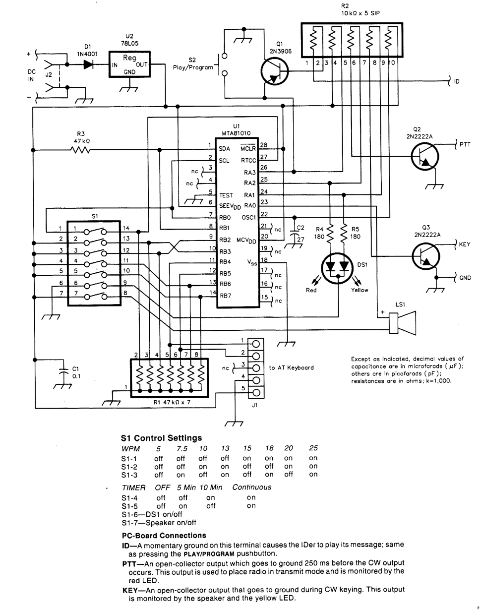
The identifier uses an MTA81010 microchip,containing a 1024-bit serial EEPROM and a rmcro-controlier It runs from a 9-V battery.A standard AT-type keyboard is used to progran the desiredmessage Speed varles from 5 to 25 wpm.
Reprinted Url Of This Article:
http://www.seekic.com/circuit_diagram/LED_and_Light_Circuit/PROGRAMMABLE_CW_IDENTIFIER_.html
Print this Page | Comments | Reading(3)
Response in 12 hours
© 2008-2012 SeekIC.com Corp.All Rights Reserved.
Code: