Published:2009/7/3 4:05:00 Author:May | From:SeekIC

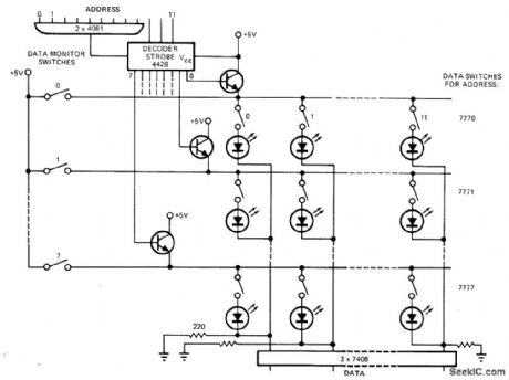
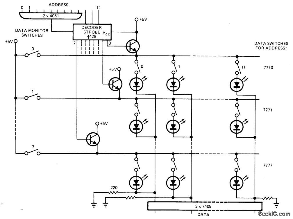
Developed for use in debugging small microprocessor systems.Uses LEDs in place of diodes as OR gates of 8 x 12-bit diode matrix memory which displays memory-cell content when word is addressed during execution of a program. Monitor switches can be used fordata displaywhen program is inserted. System was built to debug lntersil IM6100 μP. Since voltage output of diode array is too small for direct input to MOS circuit,7408 gates are used to boost high-level output.Article gives instructions for use of display.-K.S. Hojberg, Light-Emitting Memory Aids μP Debugging, EDN Magazine, May 5, 1977, p 107.
Reprinted Url Of This Article:
http://www.seekic.com/circuit_diagram/LED_and_Light_Circuit/PROM_WITH_LED_DlSPLAY.html
Print this Page | Comments | Reading(3)
Code: