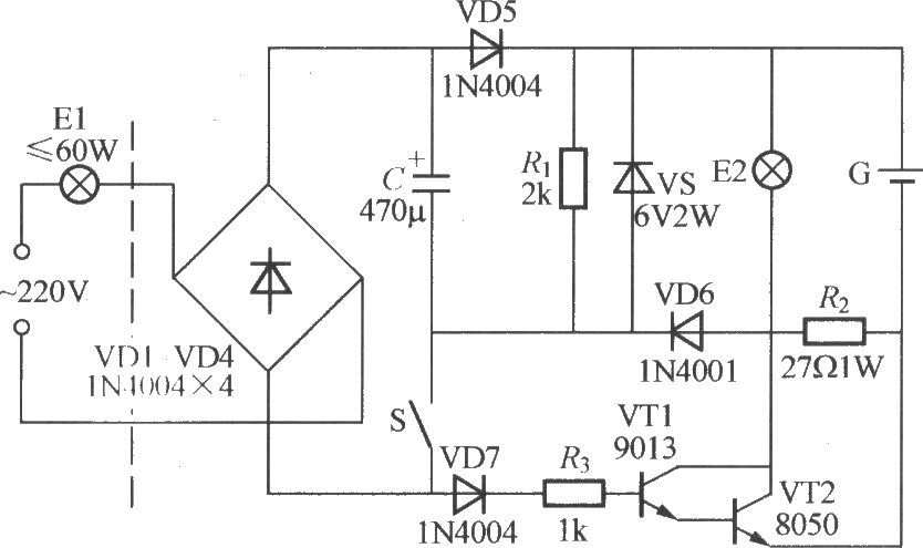
Published:2011/7/4 22:50:00 Author:zj | Keyword: Power failure, emergency lamp circuit | From:SeekIC

Reprinted Url Of This Article:
http://www.seekic.com/circuit_diagram/LED_and_Light_Circuit/Power_failure_emergency_lamp_circuit3.html
Print this Page | Comments | Reading(3)
Code: