About SeekIC | Services | Payment | Advertisements service | Contact Us | Links
© 2008-2012 SeekIC.com Corp.All Rights Reserved.
Published:2011/7/6 20:58:00 Author:zj | Keyword: Practical, delay lamp | From:SeekIC

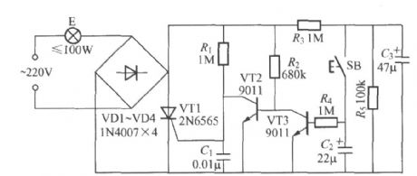
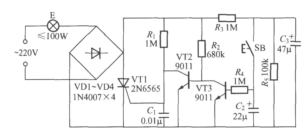
As the diagram shows, it is a delay light controllor with good performance. The connection betweenthe controller and the lamp is two wire type. The installation and the using is very convenient. And there is no special requirement for components.
Reprinted Url Of This Article:
http://www.seekic.com/circuit_diagram/LED_and_Light_Circuit/Practical_delay_lamp_circuit_3.html
Print this Page | Comments | Reading(3)
Response in 12 hours
© 2008-2012 SeekIC.com Corp.All Rights Reserved.
Code: